
一般常規的開關尺寸區分有4x4、6x6輕觸開關、7.2x7.2輕觸開關等規格。而這規格不同尺寸的輕觸開關,其不管是性能參數上還是用途上都是有所差異的。以7.2x7.2輕觸開關來講,一般通常都是不能和其它規格尺寸不同的開關替換,否則對于選擇開關的規格尺寸不符合,不但會導致影響到開關的工作性能,而且還會在開關的使用上存在很大的安全隱患等事故產生。因此若是不具備一定對開關產品知識的了解,從而很容易造成我們購置到不適用的開關。下面主要為大家詳細介紹關于7.2x7.2輕觸開關功能特點解析及產品用途解說。
產品簡介:
輕觸開關TS-6004規格尺寸為7.2x7.2mm,基座高度為4.7mm,腳長高度為4.2mm,其開關基體頂部的蓋帽為球蓋形狀設計,目前市場上一般又廣泛被叫做“四腳按鍵開關”。此款輕觸開關TS-6004一般大多數用途主要是應用于大功率電子煙產品上使用。
技術參數:
額定電負荷:DC12V 50MA
絕緣電阻:≥100MΩ
接觸電阻:≤100Ω
環境溫度:-10度~ 60度
保存溫度:-25度-70度
耐電壓:AC250V.50HZ/1min
驅動力:200±50GF
行程:0.55mm±0.25mm
機械壽命:100000次
輕觸開關TS-6004參考圖紙

產品簡介:
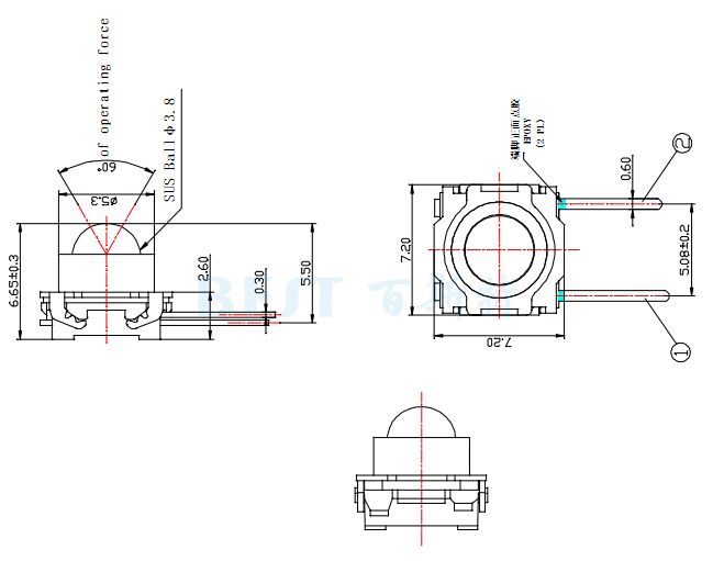
輕觸開關TS-6004A,市面上一般又廣泛稱為兩腳插件“電子煙開關”,其開關的規格尺寸為:7.x7.2mm,此款開關屬于一種側插式按鍵開關。目前輕觸開關TS-6004A一般主要用途應用于:電子煙、血壓計、按摩機、電子儀器等產品上使用。
技術參數:
絕緣電阻:≥100MΩ
耐電壓:AC250V.50HZ/1min
保存溫度:-25度-70度
環境溫度:-10度~ 60度
額定電負荷:DC12V 50MA
接觸電阻:≤100Ω
行程:0.55mm±0.25mm
驅動力:200±50GF
機械壽命:100000次
輕觸開關TS-6004A參考圖紙

不過還有重點說明一點關于7.2x7.2輕觸開關的誤差問題,一般當我們在開關購買之前,請務必認真核實清楚相應開關的規格尺寸。因為其開關的規格尺寸上是會存在一些差誤的狀況,如7.2x7.2輕觸開關,它可能實際的誤差尺寸為7.3x7.3,7.1x7.1等規格,所以請大家多加注意了解清楚關于開關規格尺寸上的問題,以免也是錯誤購置不適用的開關產品。

Copyright © 廣東精密龍電子科技有限公司 版權所有 粵ICP備17035144號 粵公網安備44130202001184號
全國服務電話:0755-83205533 傳真:0755-83761155
公司地址:深圳市龍崗區龍崗大道8288號深圳大運軟件小鎮45棟2樓

